Fan Motor Inspection
If the fan does not rotate, the fan motor is defective and must be replaced.

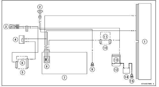
Radiator Fan Circuit

1. ECU
2. Fan Motor
3. Ignition Switch
4. Joint Connector F
5. Fuse Box 1
6. Ignition Fuse 15 A
7. Relay Box
8. Radiator Fan Relay
9. Frame Ground
10. Fuse Box 2
11. Fan Fuse 15 A
12. Starter Relay
13. Main Fuse 30 A
14. Battery
15. Engine Ground
Air Intake Solenoid Valve Unit TestValve-to-Guide Clearance Measurement (Wobble Method)
If a small bore gauge is not available, inspect the valve
guide wear by measuring the valve to valve guide clearance
with the wobble method as indicated below.
Insert a new valve [A] into the guide [B] and set a dial
gauge against the stem perpendicular to it as close as
possible to the cy ...
Rear Wheel Rotation Sensor Signal Abnormal (Service Code b 44)
Measure the air gap between the rear wheel rotation sensor
and sensor rotor.
Thickness Gauge [A]
Air Gap
Standard: 0.4 1.6 mm (0.02
0.06 in.)
If the measurement is not the standard, check each part
for deformation and looseness and correct accordingly.
If the measurement is the sta ...
Radiator Hose and Pipe Inspection (coolant leak, damage, installation
condition)
The high pressure inside the radiator hose can cause
coolant to leak [A] or the hose to burst if the line is not
properly maintained.
Visually inspect the hoses for signs of deterioration.
Squeeze the hoses. A hose should not be hard and
brittle, nor should it be soft or swollen.
Repl ...