ZX1000JC


ZX1000JD


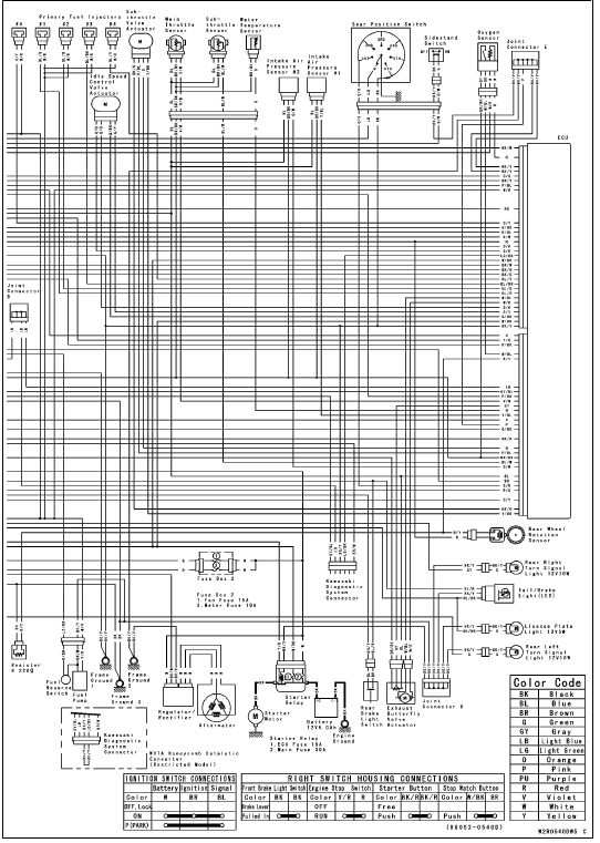
Wiring Diagram (US, CA and CAL with KIBS Models)
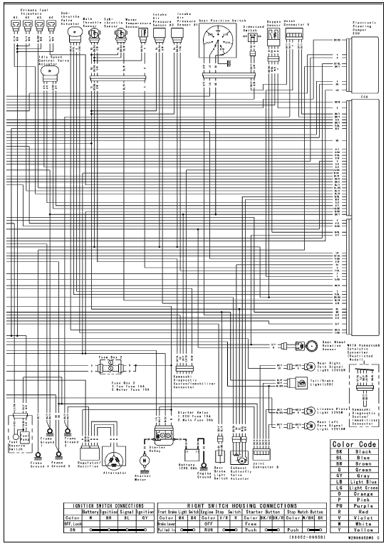
Wiring Diagram (Other than US, CA and CAL with KIBS Models)Blank Key Detection (Service Code 36, Equipped Models)
Ignition Key Inspection
Register the ignition key correctly (see Key Registration
in the Electrical System chapter).
If the service code 36 appears again, the transponder in
the key is malfunction, replace it.
Immobilizer System Circuit
1. ECU
2. Ignition Switch
3. Immobilizer Ampl ...
Exhaust Butterfly Valve Actuator Sensor Output Voltage Inspection
NOTE
Before this inspection, confirm the pulley is original
position (see Exhaust Butterfly Valve Actuator Installation).
Disconnect:
3 Pins Connector [A] (see Exhaust Butterfly Valve Actuator
Sensor Output Voltage Inspection)
2 Pins Connector [B]
Connect the harness adapter [A ...
Camshaft Chain Tensioner Installation
Replace the O-ring [A] with a new one.
Apply grease to the new O-ring.
Release the stopper [B] and push the push rod [C] into the
interior of the tensioner body [D] so that the position of the
push rod is 3 or 4 notches [E] as shown in the figure.
Install the tensioner body so that the ...