
Do not remove the nozzle assy from the air cleaner housing.
Be sure to place a piece of cloth around the fuel outlet pipe of the fuel pump and the delivery pipe of the throttle body assy.
| WARNING Fuel is flammable and explosive under certain conditions and can cause severe burns. Be prepared for fuel spillage; any spilled fuel must be completely wiped up immediately. When the fuel hose is disconnected, fuel spills out from the hose and the pipe because of residual pressure. Cover the hose connection with a piece of clean cloth to prevent fuel spillage. |
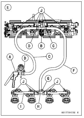
Connect a commercially available vacuum/pressure pump [A] to the nipple of the delivery pipe [B] with the fuel hose [C] (both ends with the clamps [D]) as shown in the figure.
Rear View [E]

Apply soap and water solution to the areas [J] as shown in the figure.
Watching the pressure gauge, squeeze the pump lever, and build up the pressure until the pressure reaches the maximum pressure.
Injector Fuel Line Maximum Pressure Standard: 300 kPa (3.06 kgf/cm², 43 psi)
NOTICE
During pressure testing, do not exceed the maximum pressure for which the system is designed.
Watch the gauge for at least 6 seconds.
If the pressure holds steady, the fuel line is good.
If the pressure drops at once or if bubbles are found in the area, the fuel line is leaking. Replace the delivery pipe assy, injectors and related parts.
Install: Primary and Secondary Fuel Hoses (see Fuel Hose Replacement in the Periodic Maintenance chapter) Air Cleaner Housing (see Air Cleaner Housing Removal) Fuel Tank (see Fuel Tank Removal)
Start the engine and check for fuel leakage.
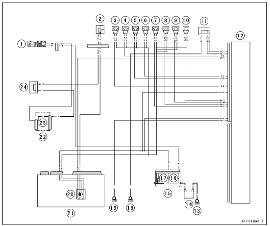
Fuel Injector Circuit

1. Ignition Switch
2. Engine Stop Switch
3. Secondary Fuel Injector #1
4. Secondary Fuel Injector #2
5. Secondary Fuel Injector #3
6. Secondary Fuel Injector #4
7. Primary Fuel Injector #1
8. Primary Fuel Injector #2
9. Primary Fuel Injector #3
10. Primary Fuel Injector #4
11. Joint Connector E
12. ECU
13. Engine Ground
14. Battery
15. Starter Relay
16. Main Fuse 30 A
17. ECU Fuse 15 A
18. Frame Ground 2
19. Frame Ground 1
20. Fuel Pump Relay
21. Relay Box
22. Fuse Box 1
23. Ignition Fuse 15 A
24. Joint Connector F
Fuel Injector Output Voltage Inspection
Throttle Grip and CablesAlternator Rotor Removal
Remove the alternator cover (see Alternator Cover Removal).
Clean off the oil from the outer circumference of the rotor.
Hold the alternator rotor steady with the rotor holder [A]
and suitable washer or plate [B].
Special Tools - Grip [C]: 57001-1591
Rotor Holder: 57001-1666
Flywheel P ...
Rear Wheel Rotation Sensor Removal
NOTICE
The wheel rotation sensor should be handled carefully,
never struck sharply, as with a hammer, or allowed
to fall on a hard surface since the wheel rotation
sensor is precision made. Be careful not to get
water or mud on the wheel rotation sensor.
Do not try to disassemble or repair t ...
Rear Wheel Rotation Sensor Signal (Service Code 24)
Rear Wheel Rotation Sensor Signal Inspection
The rear wheel rotation sensor sends the signal to the
ECU through the KIBS hydraulic unit (KIBS equipped
models). For other than KIBS equipped models, the
signal is sent directly to the ECU.
The ECU uses the rear wheel rotation sensor signal for
mo ...