Sealant - Liquid Gasket, TB1216B: 92104-1064

NOTE
Make the application finish within 20 minutes when the liquid gasket (TB1216B) to the mating surface of the cylinder head cover is applied.
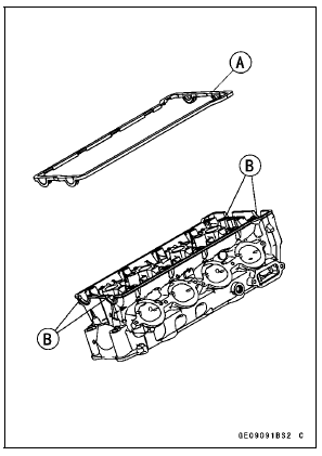
Dowel Pins [A] Plug Hole Gaskets [B]


Torque - Cylinder Head Cover Bolts: 9.8 N·m (1.0 kgf·m, 87 in·lb)

Cover Plug [A] Rubber Cap [B]
Torque - Cylinder Head Cover Plug: 15 N·m (1.5 kgf·m, 11 ft·lb)

Cylinder Head Cover RemovalLubrication
It is important to lubricate rotating or sliding parts during
assembly to minimize wear during initial operation. Lubrication
points are called out throughout this manual, apply
the specific oil or grease as specified.
Direction of Engine Rotation
When rotating the crankshaft by hand, the fre ...
Location of labels
All warning labels which are on your
vehicle are repeated here. Read labels
on your vehicle and understand them
thoroughly. They contain information
which is important for your safety and
the safety of anyone else who may operate
your vehicle. Therefore, it is very
important that all warning ...
ESD (Electronic Steering Damper) ECU Error (Service Code E3b, ZX1000JD/KD)
If this service code appears, check that the following parts
are correctly.
Crankshaft Sensor
Gear Position Switch
Starter Lockout Switch
Main Throttle Sensor
Rear Wheel Rotation Sensor
If these parts are normal, check the ESD ECU for its
ground and power supply (see ESD ECU Power Supply
...