

Special Tool - Hand Tester: 57001-1394
Replace the relay.

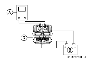
Testing Relay Tester Range: × 1 Ω range
When battery is connected → 0 Ω When battery is disconnected → ∞ Ω

1. Ignition Switch
2. Engine Stop Switch
3. Starter Button
4. Gear Position Switch
5. Sidestand Switch
6. Joint Connector E
7. Joint Connector B
8. Battery
9. Main Fuse 30 A
10. Starter Relay
11. Starter Motor
12. Frame Grounds
13. Starter Circuit Relay
14. Relay Box
15. Starter Lockout Switch
16. Ignition Fuse 15 A
17. Fuse Box 1
18. Joint Connector F
Right-hand End Cover Inspection
Lighting SystemAlternator Inspection
There are three types of alternator failures: short, open
(wire burned out), or loss in rotor magnetism. A short or
open in one of the coil wires will result in either a low output,
or no output at all. A loss in rotor magnetism, which may be
caused by dropping or hitting the alternator, by leav ...
Liquid Gasket, Non-permanent Locking Agent
For applications that require Liquid Gasket or a
Non-permanent Locking Agent, clean the surfaces so
that no oil residue remains before applying liquid gasket or
non-permanent locking agent. Do not apply them excessively.
Excessive application can clog oil passages and
cause serious damage.
...
Meter Unit Removal/Installation
Remove the upper fairing assembly (see Upper Fairing
Assembly Removal in the Frame chapter)
Remove the bolt [A] (other than US, CA and CALmodels).
Slide back the dust cover and disconnect the meter unit
connector [B].
Remove:
Bolts [A]
Nut [B] (other than US, CA and CAL mode ...