CAN Communication Line Resistance Inspection
In this model, resistors for CAN communication line are built in the ECU [A] and meter unit.

CAN Communication Line Resistance (at ECU Connector)
Connections: Terminal 27 ←→ Terminal 28
Standard: 123
125 Ω

If the reading is out of the range, replace the ECU (see ECU Removal/Installation).
If the reading is within the range, resistor of the ECU for CAN communication line is normal.
Special Tool - Hand Tester: 57001-1394
If the wiring is open, repair or replace the main harness.
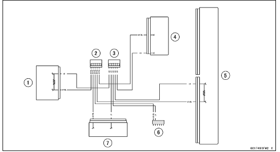
CAN Communication Line Circuit

1. Meter Unit
2. Joint Connector C
3. Joint Connector D
4. ESD (Electronic Steering Damper) ECU (ZX1000JD/KD)
5. ECU
6. Immobilizer (Equipped Models)/Kawasaki Diagnostic System Connector
7. KIBS Hydraulic Unit (Equipped Models)
ECU Power Source Circuit
DFI Power SourceTechnical Information - Electronic Steering Damper (ESD/ZX1000JD/KD models)
1) Overview
This model has an Electronic Steering Damper (ESD)
[A]. Unlike conventional manual adjustment method of
Kawasaki, damping characteristics are adjusted by the
electronic control unit.
2) Purpose
Designed to offer increased stability at high speed without interfering with
light ...
Shifting Gears
Close the throttle while pulling in the
clutch lever.
Shift into the next higher or lower
gear.
Open the throttle part way, while releasing
the clutch lever.
For smooth riding, each gear position
should cover the proper rate of speed
shown in the table.
WARNINGDownshifti ...
Camshaft Removal
Remove:
Cylinder Head Cover (see Cylinder Head Cover Removal)
Crankshaft Sensor Cover (see Crankshaft Sensor Removal
in the Electrical System chapter)
Using a wrench on the timing rotor bolt [A], turn the crankshaft
clockwise until the line [B] (TDC mark for #1,4 pistons)
on the timin ...