ECU Communication Line Inspection
When the data is not sent from the ECU to the meter unit for more than about 10 seconds, the service code 39 is displayed.
The data is sent through the CAN communication line.
The service code 39 is detected with the meter unit.
When the user mode, this communication error blinks the following items besides the FI warning symbol [A].
Power Mode and S-KTRC Symbols [B] Yellow Color LED [C]

If the CAN communication line resistance is normal, check the wiring according following procedure.
Disconnect the ECU and meter unit connectors.
Special Tool - Hand Tester: 57001-1394
Wiring Inspection ECU Connector [A] ←→ Meter Unit Connector [B] GY/BL lead (ECU terminal 27) [C] LB lead (ECU terminal 28) [D]

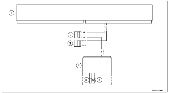
ECU Communication Line Circuit

1. ECU
2. Joint Connector D
3. Joint Connector C
4. Meter Unit
5. Warning Indicator Light (LED, Yellow)
6. Warning Indicator Light (LED, Red)
Blank Key Detection (Service Code 36, Equipped Models)DFI Servicing Precautions
There are a number of important precautions that should
be followed servicing the DFI system.
This DFI system is designed to be used with a 12 V sealed
battery as its power source. Do not use any other battery
except for a 12 V sealed battery as a power source.
Do not reverse the battery ...
Cylinder Compression Measurement
NOTE
Use the battery which is fully charged.
Warm up the engine thoroughly.
Stop the engine.
Remove the spark plugs (see Spark Plug Replacement in
the Periodic Maintenance chapter).
Attach the compression gauge [A] and adapter [B] firmly
into the spark plug hole.
Using the startermo ...
Rear Wheel Rotation Sensor Signal (Service Code 24)
Rear Wheel Rotation Sensor Signal Inspection
The rear wheel rotation sensor sends the signal to the
ECU through the KIBS hydraulic unit (KIBS equipped
models). For other than KIBS equipped models, the
signal is sent directly to the ECU.
The ECU uses the rear wheel rotation sensor signal for
mo ...