NOTE
Be sure the battery is fully charged.


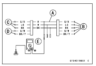
Main Harness [B] To Gear Position Switch [C] To Sidestand Switch [D]
Special Tool - Measuring Adapter: 57001-1700
Gear Position Switch Output Voltage Connections to Adapter: Digital Meter (+) → R (sensor G/R) lead Digital Meter (–) → Frame Ground terminal

When changing the gear position from lower gear to higher gear, raise the rear wheel off the ground with a suitable stand and rotate the rear wheel by hand.
Output Voltage at 1
6 Gear
Positions
Standard:
1st About DC 3.0 V
2nd About DC 2.5 V
3rd About DC 2.0 V
4th About DC 1.5 V
5th About DC 1.1 V
6th About DC 0.7 V
Turn the ignition switch to OFF
If the reading is out of the standard, check the wiring for continuity, using the wiring diagram in this section.
Special Tool - Hand Tester: 57001-1394
If the wiring is good, check the ECU for its ground and power supply (see ECU Power Supply Inspection in the Fuel System (DFI) chapter).
If the ground and power supply are good, replace the ECU (see ECU Removal/Installation in the Fuel System (DFI) chapter).
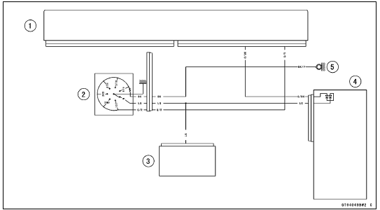
Gear Position Switch Circuit

1. ECU
2. Gear Position Switch
3. Meter Unit
4. Relay Box
5. Frame Ground 1
Gear Position Switch Removal/Installation
Front Wheel Rotation Sensor Signal (Service Code 27)Front, Rear Wheel Rotation Difference Abnormal Inspection (Service Code b
25)
Check the following and correct the faulty part.
Incorrect Tire Pressure
Tires not recommended for the motorcycle were installed
(incorrect tire size).
Deformation of Wheel or Tire
Missing Teeth or Clogging with Foreign Matter of Sensor
Rotor (see Wheel Rotation Sensor Rotor Inspe ...
Torque Limiter Installation
Apply molybdenum disulfide grease to the torque limiter
shaft [A].
Install the torque limiter [B], the collar [C] and the shaft.
Turn the large-hole end of the shaft to inside as shown in
the figure.
Replace the washer [D] with a new one.
Apply a non-permanent locking agent to the t ...
Wheel Inspection
Raise the front/rear wheel off the ground.
Special Tools - Jack: 57001-1238
Jack Attachment: 57001-1608
Spin the wheel lightly, and check for roughness or binding.
If roughness or binding is found, replace the hub bearings
(see Hub Bearing Removal/Installation).
Inspect the wh ...