NOTE
Be sure the battery is fully charged.

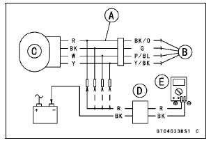
Main Harness [B] Subthrottle Valve Actuator [C]
Special Tool - Measuring Adapter: 57001-1700
Connect the peak voltage adapter [D] and a digital meter [E] to the measuring adapter leads.
Special Tool - Peak Voltage Adapter: 57001-1415 Type: KEK-54-9-B

Special Tool - Peak Voltage Adapter: 57001-1415 Type: KEK-54-9-B
Subthrottle Valve Actuator Input Voltage Connections to Adapter:
(I) Digital Meter (+) → R (actuator BK/O) lead Digital Meter (–) → Battery (–) terminal (II) Digital Meter (+) → BK (actuator G) lead Digital Meter (–) → Battery (–) terminal (III) Digital Meter (+) → W (actuator P/BL) lead Digital Meter (–) → Battery (–) terminal (IV) Digital Meter (+) → Y (actuator Y/BK) lead Digital Meter (–) → Battery (–) terminal
Input Voltage
Standard: About DC 8.5
10.5 V and
then 0 V or
About DC 8.5
10.5 V
If the reading is in specification, but the actuator does not operate, replace the throttle body assy.
If the reading is out of the specification, remove the ECU and check the wiring for continuity between main harness connector.
Special Tool - Hand Tester: 57001-1394
Disconnect the ECU and actuator connectors.

Wiring Continuity Inspection ECU Connector [A] ←→ Subthrottle Valve Actuator Connector [B] G lead (ECU terminal 15) [C] BK/O lead (ECU terminal 2) [D] P/BL lead (ECU terminal 14) [E] Y/BK lead (ECU terminal 1) [F]
If the wiring is good, check the ECU for its ground and power supply (see ECU Power Supply Inspection in the Fuel System (DFI) chapter).
If the ground and power supply are good, replace the ECU (see ECU Removal/Installation in the Fuel System (DFI) chapter).
Subthrottle Valve Actuator Circuit

1. ECU
2. Subthrottle Valve Actuator
Subthrottle Valve Actuator Resistance InspectionThrottle Grip and Cables
Free Play Inspection
Refer to the Throttle Control System Inspection in the Periodic
Maintenance chapter.
Free Play Adjustment
Refer to the Throttle Control System Inspection in the Periodic
Maintenance chapter.
Cable Installation
Install the throttle cables in accordance with the Cable,
...
Brake Line Bleeding
The brake fluid has a very low compression coefficient so
that almost all the movement of the brake lever or pedal
is transmitted directly to the caliper for braking action. Air,
however, is easily compressed. When air enters the brake
lines, brake lever or pedal movement will be partially used
...
CAN Communication (Transmission)/CAN Bus OFF Monitor Inspection (Service Code
b 57) CAN Communication (Reception) Monitor Inspection (Service Code b 58)
Remove:
Seat (see Seat Removal in the Frame chapter)
Immobilizer (Equipped Models)/Kawasaki Diagnostic
System Connector Cap [A]
Measure the CAN communication line resistance.
Immobilizer (Equipped Models)/Kawasaki Diagnostic
System Connector [A]
GY/BL Terminal [B]
LB Ter ...