
For ZX1000J Model
Fuel Level Warning Indicator Light (LED) [A] goes on “FUEL” blinks [B]
For ZX1000K Model
Warning Indicator Light (Yellow LED) [C] goes on FUEL Warning Symbol goes on “FUEL” blinks [B]
If the display and indicator light (LED) function does not work, replace the meter unit.

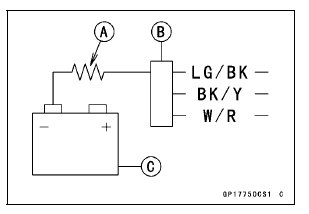
Check 2-1: Speedometer Inspection
Check 2-3: Intake Air Temperature InspectionWheel Rotation Sensor Rotor Inspection
Remove:
Wheels (see Front/Rear Wheel Removal in the
Wheels/Tires chapter)
Brake Disc Mounting Bolts [A]
Sensor Rotor [B]
Front Wheel [C]
Rear Wheel [D]
Visually inspect the wheel rotation sensor rotor.
If the rotor is deformed or damaged (chipped teeth [A]),
replace the ...
CAN Communication (Transmission)/CAN Bus OFF Monitor Inspection (Service Code
b 57) CAN Communication (Reception) Monitor Inspection (Service Code b 58)
Remove:
Seat (see Seat Removal in the Frame chapter)
Immobilizer (Equipped Models)/Kawasaki Diagnostic
System Connector Cap [A]
Measure the CAN communication line resistance.
Immobilizer (Equipped Models)/Kawasaki Diagnostic
System Connector [A]
GY/BL Terminal [B]
LB Ter ...
Fuses
Fuses are arranged in the fuse boxes
located under the passenger’s seat and
in the left fairing. The main fuse is
located under the passenger’s seat.
If a fuse fails during operation, inspect
the electrical system to determine
the cause, and then replace it with
a new fuse of proper amp ...